Precinto de seguridad giratorio personalizable para medidor
Ventaja del producto
Los sellos de medidor son rentables y también son un tipo de sello hermético.
Este producto es un sello de instrumento de doble función, rentable y de alta calidad, adecuado para la vida industrial y diaria de una variedad de instrumentos.
Este precinto para medidores cuenta con una tapa protectora y un diseño de cierre únicos. Tras pasar el cable por el candado y el cuerpo, y apretar la perilla, la mercancía queda protegida. Si el cuerpo del candado presenta deformaciones o alguna otra anomalía, indica que alguien podría haber intentado manipular el dispositivo, lo que aumenta aún más la seguridad.
En un mercado global cada vez más consciente de la seguridad, los precintos de seguridad giratorios personalizables para medidores se han convertido en una sofisticada solución de protección para proveedores de servicios públicos y operaciones industriales de todo el mundo. Estos innovadores dispositivos de sellado combinan ingenio mecánico con funcionalidad práctica para ofrecer una protección fiable a prueba de manipulaciones en diversas aplicaciones. Su exclusivo mecanismo de cierre giratorio, junto con las características de identificación personalizables, posiciona a estos precintos de seguridad para medidores como componentes esenciales en las estrategias modernas de protección de activos. Para los compradores internacionales B2B responsables de la seguridad de infraestructuras de servicios públicos, equipos de procesamiento químico y activos de transporte, comprender las ventajas técnicas y los protocolos de implementación de estas soluciones de sellado a prueba de manipulaciones es crucial para mantener la integridad operativa y el cumplimiento normativo.
Diseño técnico y mecanismo operativo
La eficacia de los precintos de seguridad giratorios personalizables para medidores se debe a su diseño minucioso, que equilibra una seguridad robusta con una aplicación sencilla. Estos precintos profesionales para medidores incorporan un sistema de bloqueo de precisión que garantiza un rendimiento fiable incluso en condiciones ambientales exigentes.
Mecanismo de bloqueo avanzado
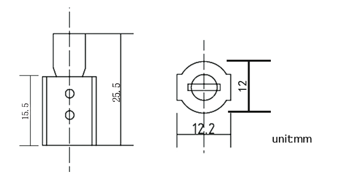
La principal característica de seguridad de estos precintos de seguridad giratorios reside en su sistema de cierre irreversible. El mecanismo emplea un diseño de enganche direccional que permite una instalación suave, a la vez que impide su extracción sin intervención destructiva. Al introducir el cable a través del cuerpo del candado y girarlo hasta alcanzar la tensión deseada, los componentes internos del cierre se acoplan permanentemente, creando una conexión segura que no se puede desenganchar por medios convencionales. Esta característica de seguridad a prueba de manipulaciones proporciona evidencia visual inmediata de cualquier intento de manipulación, lo que hace que estos precintos sean especialmente valiosos para aplicaciones de alto riesgo donde el acceso no autorizado debe ser inmediatamente detectable.
Composición y durabilidad del material
Fabricados con materiales de ingeniería de alta calidad, estos sellos de seguridad para servicios públicos brindan un rendimiento excepcional en diversas condiciones ambientales:
Cuerpo de polímero de alta resistencia: Los termoplásticos avanzados brindan resistencia al impacto e integridad estructural
Alambre de acero galvanizado: El cable resistente a la corrosión garantiza confiabilidad a largo plazo en instalaciones al aire libre.
Compuestos estabilizados contra los rayos UV: Las formulaciones especiales evitan la degradación por la exposición prolongada al sol.
Materiales tolerantes a la temperatura: rendimiento constante en todos los rangos de temperatura industriales
Esta ingeniería de materiales garantiza que los sellos de protección del medidor mantengan su funcionalidad de seguridad al mismo tiempo que resisten las condiciones desafiantes que suelen encontrarse en entornos industriales y de servicios públicos.




Amplio espectro de aplicaciones
El diseño versátil de los sellos de seguridad giratorios personalizables para medidores permite su implementación en múltiples sectores donde se requiere evidencia de manipulación confiable para la seguridad operativa y el cumplimiento normativo.
Implementación del sector de servicios públicos
Estos sellos de seguridad brindan protección esencial para los equipos de medición de ingresos en múltiples servicios públicos:
Medidores eléctricos: protección de instalaciones de medición de electricidad residenciales, comerciales e industriales.
Medidores de agua: protección de los flujos de ingresos municipales del agua mediante un sellado a prueba de manipulaciones
Medidores de gas: Garantizar la integridad de los sistemas de distribución y medición de gases inflamables
Los sellos giratorios personalizables se adaptan a varios diseños de medidores y configuraciones de puntos de bloqueo, lo que los hace adecuados tanto para infraestructuras heredadas como para instalaciones modernas de medidores inteligentes.
Protocolo de instalación y garantía de calidad
Una instalación adecuada es fundamental para maximizar la seguridad de los sellos de seguridad giratorios personalizables para medidores. El sencillo proceso de instalación garantiza resultados consistentes en múltiples aplicaciones, manteniendo al mismo tiempo la integridad del sistema de seguridad.

Especificación del sello de seguridad giratorio personalizable para medidor

Nombre |
Precinto de seguridad giratorio personalizable para medidor |
|||
Material |
ABS o PC |
|||
Color |
Rojo, amarillo, verde, azul, etc. |
|||
Solicitud |
Cajas de contadores eléctricos y de agua, etc. |
|||
Imprimir |
Impresión láser del nombre y el logotipo de la empresa del cliente, código de barras, etc. |
|||
Color |
Amarillo, rojo, azul, negro, naranja, etc. |
|||
Procedimiento de instalación paso a paso
Preparación: Sujete firmemente el cuerpo de la cerradura con una mano mientras identifica los puntos de montaje adecuados.
Enhebrado: Pase el extremo libre del cable a través de los puntos de montaje de destino y luego a través del canal de entrada del cuerpo de la cerradura.
Ajuste de tensión: Aplique una tensión suave para eliminar la holgura y asegúrese de no sobrecargar el componente de cable.
Bloqueo final: ejecute el movimiento de giro final para enganchar de forma segura el mecanismo de bloqueo permanente.
Verificación: Confirme que el enganche sea correcto inspeccionando visualmente el cuerpo de la cerradura y probando que el cable no se pueda retirar.
Este enfoque estandarizado garantiza que los sellos de los medidores de servicios públicos brinden un rendimiento de seguridad constante y al mismo tiempo minimicen los errores de instalación que podrían comprometer la protección.
Excelencia en fabricación y cumplimiento
Los fabricantes de renombre de sellos de seguridad para medidores giratorios personalizables se adhieren a estrictos procesos de control de calidad:
Certificación de materiales: verificación de las especificaciones del material y las características de rendimiento.
Pruebas de producción: muestreo regular para validar la resistencia a la tracción y la resistencia a la manipulación.
Cumplimiento de normas internacionales: Adherencia a la norma ISO 17712 y otras normas de seguridad relevantes
Trazabilidad de lotes: seguimiento integral de lotes para control de calidad y gestión de retiradas
Estos protocolos de fabricación garantizan que los sellos de seguridad profesionales brinden un rendimiento confiable que cumpla con los exigentes requisitos de las aplicaciones industriales y de servicios públicos.

Ventajas estratégicas para las compras B2B
La implementación de sellos de seguridad giratorios personalizables para medidores ofrece numerosos beneficios estratégicos para las organizaciones que buscan mejorar su postura de seguridad y al mismo tiempo optimizar la eficiencia operativa.
Beneficios de seguridad y cumplimiento
Evidencia de manipulación inmediata: la indicación visual clara de los intentos de interferencia facilita una respuesta rápida
Cumplimiento normativo: respalda el cumplimiento de las regulaciones de servicios públicos y los estándares de seguridad internacionales.
Creación de registros de auditoría: la identificación única permite una documentación de seguridad integral
Valor disuasorio: Las medidas de seguridad visibles desalientan los intentos de manipulación antes de que ocurran
Ventajas operativas y económicas
Implementación rápida: El procedimiento de instalación simple reduce los requisitos de mano de obra y los costos de capacitación
Seguridad rentable: proporciona protección de alto nivel a una fracción de los costos del sistema electrónico
Flexibilidad de inventario: El diseño de sello único se adapta a múltiples requisitos de aplicación
Funcionamiento sin mantenimiento: No requiere mantenimiento continuo ni calibración, lo que reduce los costes de vida útil.

Proceso de dar un título

Sobre nosotros

Preguntas frecuentes (FAQ) para compradores B2B
1. ¿Cuál es la resistencia a la tracción típica de estos sellos de seguridad giratorios? ¿Es suficiente para aplicaciones de servicios públicos en exteriores?
Los sellos de seguridad de torsión estándar para medidores suelen ofrecer una resistencia a la tracción de entre 80 y 113 kg, lo que proporciona la seguridad adecuada para la mayoría de las aplicaciones de medidores de servicios públicos. Para instalaciones de alta seguridad o aplicaciones industriales, existen modelos de alta resistencia con una resistencia a la tracción superior a 159 kg. Su construcción con alambre de acero galvanizado garantiza un rendimiento constante en exteriores donde se requiere resistencia a la intemperie.
2. ¿Qué tan personalizables son estos sellos y cuáles son los requisitos mínimos de pedido?
Estos sellos de seguridad personalizables ofrecen amplias opciones de personalización, incluyendo numeración secuencial, códigos de barras, códigos QR, logotipos de empresa y codificación por colores. Las cantidades mínimas de pedido suelen ser de 5000 unidades para marcas personalizadas, con requisitos reducidos para las opciones preimpresas estándar. La mayoría de los fabricantes proporcionan pruebas digitales para su aprobación antes del inicio de la producción.
3. ¿Estos sellos cumplen con los estándares internacionales de seguridad de servicios públicos?
Sí, los precintos de seguridad giratorios de calidad de fabricantes reconocidos están diseñados para cumplir con la norma ISO 17712 sobre precintos de seguridad. Además, suelen cumplir con las especificaciones de la industria de servicios públicos para la protección de la medición de ingresos. Los fabricantes deben proporcionar documentación de certificación e informes de pruebas para verificar el cumplimiento de las normas pertinentes.
